Streichblech für Egge RAU 48230 - Nachbau Referenz : 227847 Versand durch Agryco Weiterlesen Unsere Vorteile Persönliche Beratung Geld-zurück-Garantie Sicherbezahlen
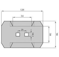
Produktbeschreibung Geeignet für RAU Dicke (mm) 4 Länge (mm) 120 Breite (mm) 90 Original oder Nachbau Nachbau Oberflächenbehandlung Normal Bohrungsdurchmesser (mm) 11
Entdecke unser Sortiment : Zinken Radlager/Lager Bolzenverbindungen Sonstiges Splinte und Bolzen Zinkenträger Ring und Buchse Dichtung Zahnrad und Achse Leitblech und Schutzteile